Wir die Checkline Europe GmbH & Co. KG. möchten Cookies und ähnliche Technologien verwenden, um Ihr Einkaufserlebnis zu optimieren, benötigen hierzu aber Ihr Einverständnis. Durch das klicken des „Cookies akzeptieren“ Buttons erklären Sie mich unserer Verwendung von Cookies und ähnlicher Technologien einverstanden. Sollten Sie nicht einverstanden sein, können Sie die Verwendung ablehnen oder individuelle Einstellungen zu den jeweiligen Cookies vornehmen klicken Sie hierzu bitte auf den Button „Cookie Einstellungen“. Sie haben die Möglichkeit festzulegen, dass nur bestimmte Cookies, die wir auf unserer Website verwenden aktiviert werden. Dieser Banner wird Ihnen solange angezeigt, bis Sie Ihre Präferenzen gewählt haben. Sofern Sie sich gegen die Verwendung von Cookies entscheiden, werden wir keine Cookies oder ähnliche Technologien einsetzen, ausgenommen derer, die zwingend erforderlich sind für die einwandfreie Funktion der Website. Klicken Sie hier für unsere Datenschutzerklärung

FS06 Zug- und Druckkraftsensoren


Präzisionssensoren mit hoher Kapazität für vielseitige Prüfrahmen-Anwendungen

Die FS06-Serie wurde entwickelt, um Proben aufzunehmen, die größere Spannzeuge oder Vorrichtungen erfordern, wenn sie mit den Checkline/Mark-10 Prüfrahmen F105, F305, F505 und F505H verwendet werden. Diese Hochleistungssensoren messen sowohl Zug- als auch Druckkräfte mit Messbereichen von 250 N bis 2,5 kN.

Mit der Plug & Test®-Technologie verbinden sich FS06-Sensoren nahtlos mit den Prüfrahmen der Serien F105/305/505. Alle Konfigurations- und Kalibrierdaten werden intern auf der Leiterplatte gespeichert, was einen echten Plug-and-Play-Betrieb ermöglicht. Die Kalibrierung kann auch extern mit einem Mark-10 Series 5I oder 7I Anzeigeinstrument und dem AC1083 Adapter durchgeführt werden.

Hauptmerkmale:

  • Breite Kompatibilität: Funktioniert mit Mark-10 Prüfrahmen F105, F305, F505 und F505H.
  • Zug- und Druckmessung: Misst präzise bidirektionale Kräfte über einen großen Bereich (250 N – 2,5 kN).
  • Plug & Test®-Technologie: Gewährleistet automatische Sensorerkennung, einfache Konfiguration und schnellen Austausch.
  • Intelligenter Kalibrierdatenspeicher: Alle Kalibrierungs- und Konfigurationsdaten werden intern gespeichert, was eine einfache Einrichtung und konstante Ergebnisse ermöglicht.
  • Optionale externe Kalibrierung: Kompatibel mit Mark-10 Series 5I und 7I Anzeigeeinheiten über den AC1083 Adapter.
  • Robustes Design: Ideal für größere oder schwerere Spannvorrichtungen, ohne die Genauigkeit zu beeinträchtigen.
  • Zertifizierte Genauigkeit: Wird mit NIST-rückführbarem Kalibrierzertifikat mit Messdaten geliefert.
  • Garantie: 3 Jahre Herstellergarantie inklusive.

Hauptvorteile:

  • Zuverlässige Leistung: Präzise und konsistente Kraftmessungen für Zug- und Drucktests.
  • Einfache Integration: Plug-and-Play Einrichtung ohne komplexe Konfiguration.
  • Minimierte Ausfallzeiten: Schneller Sensortausch und Feldkalibrierung erhöhen die Produktivität.
  • Vielseitige Einsatzmöglichkeiten: Geeignet für Industrie, Labor und Qualitätssicherung.

 

Kontaktieren Sie uns für weitere Informationen oder ein Angebot. Unser Team unterstützt Sie gerne bei der Auswahl der passenden FS06-Sensorkonfiguration für Ihren Prüfrahmen und Ihre Anwendung.

Merkmale

  • Messart: Zug und Druck
  • Messbereich: 250 N – 2,5 kN
  • Kompatibilität: Entwickelt für den Einsatz mit Mark-10 Prüfrahmen F105, F305, F505 und F505H
  • Konstruktion: Robustes Design, geeignet für größere Spannzeuge und schwere Vorrichtungen
  • Genauigkeitszertifizierung: Wird mit NIST-rückführbarem Kalibrierzertifikat inklusive Messdaten geliefert
  • Montage: Kompatibel mit Standard-Prüfrahmenvorrichtungen von Mark-10
  • Garantie: 3 Jahre Herstellergarantie
  • Technologie: Plug & Test® intelligente Sensor-Schnittstelle
  • Kalibrierdaten: Intern auf der Leiterplatte des Sensors gespeichert für Plug-and-Play-Betrieb
  • Externe Kalibrierung: Kann extern mit Mark-10 Series 5I oder 7I Anzeigeeinheiten über den Adapter AC1083 kalibriert werden

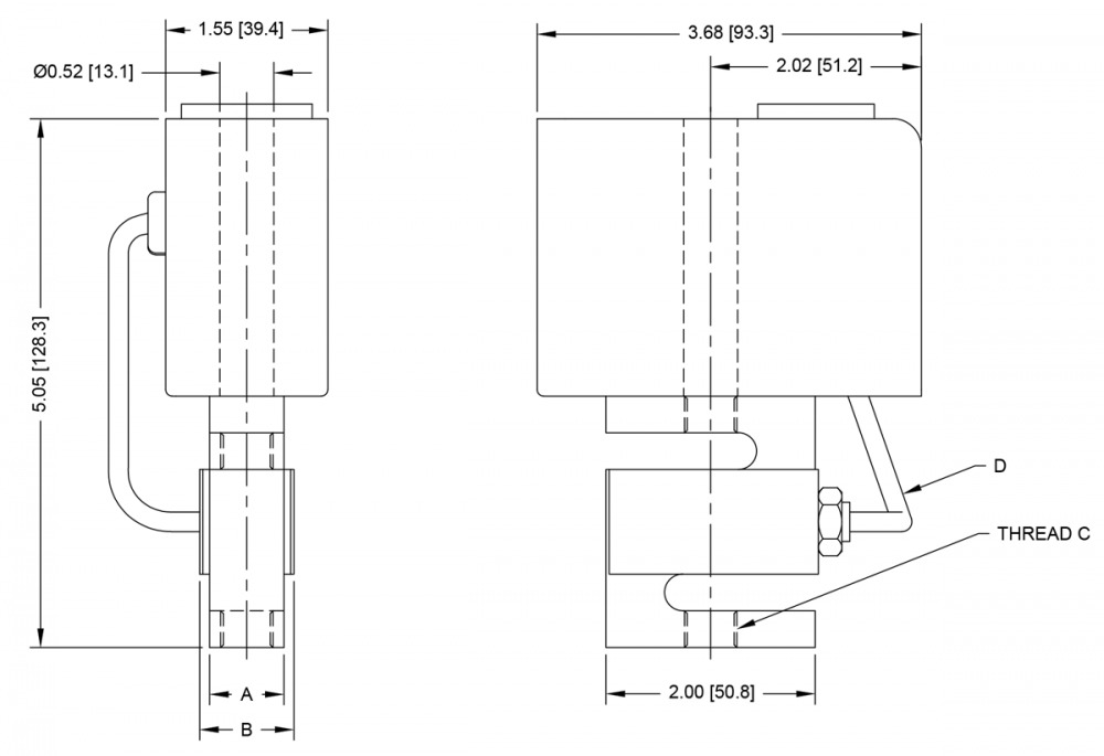
Abmessungen

FS06 Abmessungen
Abmessungen-FS06 Abmessungen


Modell-Nr.ABGewinde CD
FS06-500.46 [11.7]0.71 [18.0]1/4-28 UNF6.00 [152.4]
FS06-1000.46 [11.7]0.71 [18.0]1/4-28 UNF6.00 [152.4]
FS06-2000.46 [11.7]0.71 [18.0]1/4-28 UNF6.00 [152.4]
FS06-3000.9 [22.6]1.1 [27.9]1/2-20 UNF6.00 [152.4]
FS06-5000.9 [22.6]1.1 [27.9]1/2-20 UNF6.00 [152.4]
Alle Maße in Zoll und [mm]
Kapazität × Auflösung
ModelllbFozFgFkgFNkN
FS06-5050 x 0.02800 x 0.525000 x 1025 x 0.01250 x 0.1-
FS06-100100 x 0.051600 x 150000 x 2050 x 0.02500 x 0.2-
FS06-200200 x 0.13200 x 2-100 x 0.051000 x 0.51 x 0.0005
FS06-300300 x 0.24800 x 5-150 x 0.11500 x 11.5 x 0.001
FS06-500500 x 0.28000 x 5-250 x 0.12500 x 12.5 x 0.001
Ähnliche Produkte

F105 / F305 / F505 / F505H Kraft-Druck Prüfmaschine mit IntelliMESUR



Mehr Details

F105 / F305 / F505 / F505H  Kraft-Druck Prüfmaschine mit IntelliMESUR

F105 / F305 / F505 / F505H Series F Kraft-Prüfstand mit EasyMESUR


  • Integrierter Kraftsensor und nahtlose Schnittstelle für den FS05-Kraftsensor ohne Kabel.
  • Integriertes Touchscreen-Bedienfeld.
  • Einrichten, Durchführen und Analysieren von Daten über das integrierte EasyMESUR®-Bedienfeld.

Mehr Details

F105 / F305 / F505 / F505H Series F Kraft-Prüfstand mit EasyMESUR

Spezifikationen

Genauigkeit:±0,15 % des Endwerts + Anzeige oder Prüfrahmen
Sichere Überlast:150 % des Endwerts
Gewicht:FS06-50 – FS06-200: 0,8 kg
FS06-300 – FS06-500: 0,9 kg
Versandgewicht:FS06-50 – FS06-200: 1,1 kg
FS06-300 – FS06-500: 1,2 kg

Bestellen

Produkte

Produkt
Preis
Menge
140343
FS06-50 Force sensor, 50 lbF / 800 ozF / 25 kgF / 25000 gF / 250 N
€ 1.290,00 
140344
FS06-100 Force sensor, 100 lbF / 1600 ozF / 50 kgF / 50000 gF / 500 N
€ 1.290,00 
140345
FS06-200 Force sensor, 200 lbF / 3200 ozF / 100 kgF / 1000 N / 1 kN
€ 1.290,00 
140346
FS06-300 Force sensor, 300 lbF / 4800 ozF / 150 kgF / 1500 N / 1.5 kN
€ 1.290,00 
140347
FS06-500 Force sensor, 500 lbF / 8000 ozF / 250 kgF / 2500 N / 2.5 kN
€ 1.290,00 
Alle genannten Preise verstehen sich ohne Mehrwertsteuer und ohne Versandkosten .
Produktstatus: Verfügbar: 1 - 3 Tage, Lieferzeit: 1 - 3 Wochen, Lieferzeit variiert, bitte kontaktieren Sie uns

Kontakt 
Angebot anfordern
Ihre Kontaktanfrage wurde gesendet!
Wir werden uns schnellstmöglich mit Ihnen in Verbindung setzen.
 Informationen